eMTB / E-ładunek

Silnik w piaście tylnej RF500 typu E

Silnik w piaście tylnej RF500 typu E przeznaczony jest do rowerów E-Cargo i E-MTB, kompatybilnych z systemami 36V/48V. Oferuje moc znamionową 500-750 W i moment obrotowy ponad 75 Nm, z łatwością radząc sobie w skomplikowanym terenie i z dużymi obciążeniami. Silnik obsługuje koła o średnicy 20–28 cali, waży zaledwie 4,2 kg i ma hak 100 mm przy przełożeniu 5,4. Taka konstrukcja optymalizuje wyjściowy moment obrotowy, zapewniając płynne przyspieszanie przy niskich prędkościach i zwiększoną wydajność.

Kluczowy parametr
Struktura silnika: Napięcie znamionowe (V): Moc znamionowa (W):
Silnik piasty z napędem tylnym 36-48 250-500
Szczytowy moment obrotowy (Nm): Waga (kg): STARY (mm):
75 4.2 135
szczegółowe informacje
  • Silnik w piaście tylnej RF500 typu E
  • Silnik w piaście tylnej RF500 typu E
Ningbo Yinzhou HENTACH Electromechanical Co., Ltd. Product Parameters Ningbo Yinzhou HENTACH Electromechanical Co., Ltd. Drawing Ningbo Yinzhou HENTACH Electromechanical Co., Ltd. Contact Us

Podstawowe dane

Moc znamionowa 250-500
Napięcie znamionowe 36-48
Średnica koła 20-28
Zakres prędkości 25-38
Maksymalny moment obrotowy 75
Przełożenie 5.4
Waga (kg) 4.2

Parametry instalacji

Hamulec Hamulec tarczowy
Kaseta czujnika momentu obrotowego Nie
Trasa okablowania Oś środkowa prawa
Otwór na szprychę 2-18-Ф3.2
Ocena wodoodporności IP54 (do IP65)
Koło zamachowe/koło zębate Rotary Fly 7-biegowa/Kafei (OLD142)
Certyfikaty TUV/EN15194/RoHS

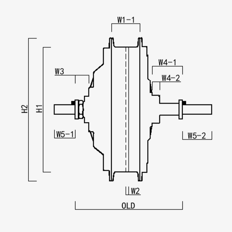
H1/OD: 157
H2/OD silnika: 180
W1(-1/-2): 36
W2: 3.75
W3: 15.2
W4(-1/-2): 38/9,5
W5(-1/-2): 26/37
STARY: 135
Długość osi: 198
Ningbo Yinzhou HENTACH Electromechanical Co., Ltd.
skontaktuj się z nami
  • Prześlij i wyślij
Ningbo Yinzhou HENTACH Electromechanical Co., Ltd.
CO NAS WYRÓŻNIA
  • Mocny silnik w piaście z napędem tylnym, rozstaw przekładni 135 mm, moc znamionowa do 500 W

  • Opatentowana przekładnia ze stali z tworzywa sztucznego: 5 razy większy moment obrotowy w porównaniu z przekładnią nylonową; żywotność większa niż 40 000 km; niższa obsługa posprzedażna

  • Moment obrotowy do 75 NM, specjalnie zaprojektowany dla eMTB/Cargo.

KIM JESTEŚMY Więcej niż 20 lat doświadczenia produkcyjnego.

Ningbo Yinzhou HENTACH Electromechanical Co., Ltd. (dawniej Hengtai Motor) Założona w 1995 roku i wcześniej znana jako „Hengtai Motor” (chińska nazwa naszej firmy), w 2020 roku oficjalnie przyjęliśmy angielską nazwę „HENTACH Motor”. Obie nazwy reprezentują tego samego zaufanego producenta zajmującego się innowacjami elektromechanicznymi od ponad 30 lat. Specjalizujemy się w odlewaniu i precyzyjnej obróbce miniaturowych silników prądu stałego, silników elektrycznych/motocyklowych z piastami oraz stopów aluminiowo-magnezowych do pojazdów elektrycznych. Łączymy rygorystyczny system kontroli jakości ISO 9001, dojrzałe praktyki zarządzania oraz najnowocześniejszy sprzęt produkcyjny/testujący, aby dostarczać niezawodne rozwiązania.

Dzięki kompleksowym możliwościom, obejmującym cały proces – od odlewania surowców po dostawę gotowych produktów – obsługujemy różnorodne rynki, w tym rowery elektryczne, pojazdy transportowe, pojazdy autonomiczne (AGV), wózki golfowe, maszyny rolnicze i gokarty elektryczne. Nasz kampus o powierzchni ponad 9000 m² (5000 m² powierzchni zabudowanej) mieści ponad 60 zaawansowanych urządzeń produkcyjnych, w tym 500-tonowe maszyny do odlewania ciśnieniowego, precyzyjne obrabiarki CNC, systemy znakowania laserowego, linie do mikrołukowego utleniania oraz dwa dedykowane stanowiska testowe dla silników pojazdów elektrycznych. Ta infrastruktura zapewnia efektywną produkcję i ścisłe przestrzeganie międzynarodowych standardów jakości.

W HENTACH (Hengtai) stawiamy na wysoką jakość materiałów i zastrzeżoną technologię — nasza opatentowana przekładnia ze stali nylonowej jest świadectwem naszej doskonałości inżynieryjnej. Aby potwierdzić trwałość, uruchomiliśmy kiedyś program gwarancji przebiegu dla silników o przebiegu przekraczającym 30 000 mil. Wynik? Ponad 50 silników nie tylko osiągnęło ten poziom, ale go przekroczyło, a niektóre osiągnęły imponujący przebieg 50 000 mil. Ta rzeczywista wydajność odzwierciedla nasze niezachwiane skupienie się na niezawodności i motywuje nas do ciągłego wprowadzania innowacji w celu uzyskania inteligentniejszych i mocniejszych rozwiązań silnikowych.​
Zaufaj marce znanej na całym świecie zarówno jako Hengtai Motor, jak i HENTACH Motor, gdzie opatentowana innowacja stalowych przekładni łączy się ze sprawdzoną trwałością.

Certyfikowany przez Certyfikaty