eMTB / E-ładunek

Silnik w piaście tylnej E-Type Pro RF750

Silnik w piaście tylnej E-Type Pro RF750 jest przeznaczony do rowerów E-Cargo i E-MTB, kompatybilny z 7-biegowym gwintem na wolnym kole i 135 mm OLD. Moc znamionowa wynosi 750 W i moment obrotowy ponad 85 Nm, dzięki czemu z łatwością radzi sobie z dużymi obciążeniami i skomplikowanym terenem. Wyposażony w opatentowane przekładnie zębate z tworzywa sztucznego i stali, silnik zapewnia 5-krotnie większy moment obrotowy niż przekładnie nylonowe, wytrzymując ponad 40 000 km i znacznie zmniejszając koszty konserwacji. Niezależnie od tego, czy chodzi o strome wzgórza, wyboiste szlaki, czy transport ciężkich ładunków, zapewnia wyjątkową zdolność pokonywania wzniesień i natychmiastowe przyspieszenie.

Kluczowy parametr
Struktura silnika: Napięcie znamionowe (V): Moc znamionowa (W):
Silnik piasty z napędem tylnym 36-48 350-750
Szczytowy moment obrotowy (Nm): Waga (kg): STARY (mm):
85 5.5 137
szczegółowe informacje
  • Silnik w piaście tylnej E-Type Pro RF750
  • Silnik w piaście tylnej E-Type Pro RF750
Ningbo Yinzhou HENTACH Electromechanical Co., Ltd. Product Parameters Ningbo Yinzhou HENTACH Electromechanical Co., Ltd. Drawing Ningbo Yinzhou HENTACH Electromechanical Co., Ltd. Contact Us

Podstawowe dane

Moc znamionowa 350-750
Napięcie znamionowe 36-48
Średnica koła 20-28
Zakres prędkości 25-38
Maksymalny moment obrotowy 85
Przełożenie 5.27
Waga (kg) 5.5

Parametry instalacji

Hamulec Hamulec tarczowy
Kaseta czujnika momentu obrotowego Nie
Trasa okablowania Lewa strona osi
Otwór na szprychę 2-18-Ф3.2
Ocena wodoodporności IP54 (do IP65)
Koło zamachowe/koło zębate Obrotowy 7-biegowy
Certyfikaty TUV/EN15194/RoHS

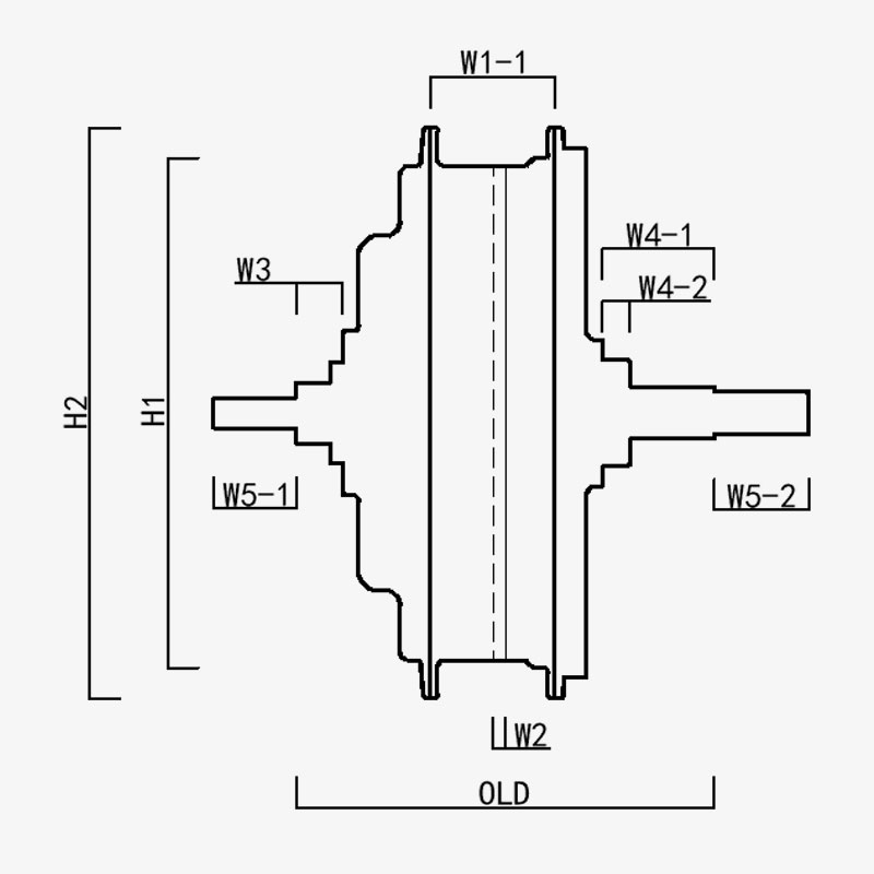
H1/OD: 167
H2/OD silnika: 187
W1(-1/-2): 40.8
W2: 4.15
W3: 15.2
W4(-1/-2): 37/9
W5(-1/-2): 27/31
STARY: 137
Długość osi: 195
Ningbo Yinzhou HENTACH Electromechanical Co., Ltd.
skontaktuj się z nami
  • Prześlij i wyślij
Ningbo Yinzhou HENTACH Electromechanical Co., Ltd.
CO NAS WYRÓŻNIA
  • Mocny silnik w piaście z napędem tylnym, z 7-biegowym obrotowym kołem zamachowym, rozstawem przekładni 135 mm, większymi możliwościami adaptacji i mocą znamionową do 750 W.

  • Opatentowana przekładnia ze stali z tworzywa sztucznego: 5 razy większy moment obrotowy w porównaniu z przekładnią nylonową; żywotność większa niż 40 000 kilometrów; niższa obsługa posprzedażna

  • Moment obrotowy do 85 NM, specjalnie zaprojektowany dla eMTB/Cargo.

KIM JESTEŚMY Więcej niż 20 lat doświadczenia produkcyjnego.

Ningbo Yinzhou HENTACH Electromechanical Co., Ltd. (dawniej Hengtai Motor) Założona w 1995 roku i wcześniej znana jako „Hengtai Motor” (chińska nazwa naszej firmy), w 2020 roku oficjalnie przyjęliśmy angielską nazwę „HENTACH Motor”. Obie nazwy reprezentują tego samego zaufanego producenta zajmującego się innowacjami elektromechanicznymi od ponad 30 lat. Specjalizujemy się w odlewaniu i precyzyjnej obróbce miniaturowych silników prądu stałego, silników elektrycznych/motocyklowych z piastami oraz stopów aluminiowo-magnezowych do pojazdów elektrycznych. Łączymy rygorystyczny system kontroli jakości ISO 9001, dojrzałe praktyki zarządzania oraz najnowocześniejszy sprzęt produkcyjny/testujący, aby dostarczać niezawodne rozwiązania.

Dzięki kompleksowym możliwościom, obejmującym cały proces – od odlewania surowców po dostawę gotowych produktów – obsługujemy różnorodne rynki, w tym rowery elektryczne, pojazdy transportowe, pojazdy autonomiczne (AGV), wózki golfowe, maszyny rolnicze i gokarty elektryczne. Nasz kampus o powierzchni ponad 9000 m² (5000 m² powierzchni zabudowanej) mieści ponad 60 zaawansowanych urządzeń produkcyjnych, w tym 500-tonowe maszyny do odlewania ciśnieniowego, precyzyjne obrabiarki CNC, systemy znakowania laserowego, linie do mikrołukowego utleniania oraz dwa dedykowane stanowiska testowe dla silników pojazdów elektrycznych. Ta infrastruktura zapewnia efektywną produkcję i ścisłe przestrzeganie międzynarodowych standardów jakości.

W HENTACH (Hengtai) stawiamy na wysoką jakość materiałów i zastrzeżoną technologię — nasza opatentowana przekładnia ze stali nylonowej jest świadectwem naszej doskonałości inżynieryjnej. Aby potwierdzić trwałość, uruchomiliśmy kiedyś program gwarancji przebiegu dla silników o przebiegu przekraczającym 30 000 mil. Wynik? Ponad 50 silników nie tylko osiągnęło ten poziom, ale go przekroczyło, a niektóre osiągnęły imponujący przebieg 50 000 mil. Ta rzeczywista wydajność odzwierciedla nasze niezachwiane skupienie się na niezawodności i motywuje nas do ciągłego wprowadzania innowacji w celu uzyskania inteligentniejszych i mocniejszych rozwiązań silnikowych.​
Zaufaj marce znanej na całym świecie zarówno jako Hengtai Motor, jak i HENTACH Motor, gdzie opatentowana innowacja stalowych przekładni łączy się ze sprawdzoną trwałością.

Certyfikowany przez Certyfikaty