e-tłuszcz/e-ładunek

Silnik z piastą tylną RC typu S-Type Pro

Silnik z piastą tylną S-Type Pro RC jest przeznaczony do rowerów E-Cargo i E-Fat i oferuje moc znamionową od 750 W do 1500 W. Jest wyposażony w kasetę 8–10 biegów, hak o średnicy 190 mm i maksymalny moment obrotowy utyku wynoszący ponad 145 Nm. Silnik ten zapewnia dobrą przyczepność przy niskich prędkościach, zapewniając stabilną zdolność pokonywania stromych zboczy, miękkiego piasku lub śliskiego terenu. Wyposażony w opatentowane przez HT metalowe, nylonowe koła zębate, jest pięciokrotnie mocniejszy niż tradycyjne nylonowe koła zębate, wytrzymuje ponad 40 000 km i znacznie zmniejsza koszty konserwacji. W zastosowaniach z silnikami piastowymi do rowerów elektrycznych o mocy powyżej 1000 W, tylko przekładnie HT z tworzywa sztucznego i stali wytrzymują ciągłe momenty obrotowe powyżej 100 Nm.

Kluczowy parametr
Struktura silnika: Napięcie znamionowe (V): Moc znamionowa (W):
/ 36-60 600-1500
Szczytowy moment obrotowy (Nm): Waga (kg): STARY (mm):
145 6 190
szczegółowe informacje
  • Silnik z piastą tylną RC typu S-Type Pro
  • Silnik z piastą tylną RC typu S-Type Pro
Ningbo Yinzhou HENTACH Electromechanical Co., Ltd. Product Parameters Ningbo Yinzhou HENTACH Electromechanical Co., Ltd. Drawing Ningbo Yinzhou HENTACH Electromechanical Co., Ltd. Contact Us

Podstawowe dane

Moc znamionowa 600-1500
Napięcie znamionowe 36-60
Średnica koła 20-26
Zakres prędkości 35-65
Maksymalny moment obrotowy 145
Przełożenie 5
Waga (kg) 6

Parametry instalacji

Hamulec Hamulec tarczowy
Kaseta czujnika momentu obrotowego Nie
Trasa okablowania Lewa strona osi
Otwór na szprychę 2-18-Ф3.2
Ocena wodoodporności IP54 (do IP65)
Koło zamachowe/koło zębate Kafei 7-10 prędkości
Certyfikaty TUV/EN15194/RoHS

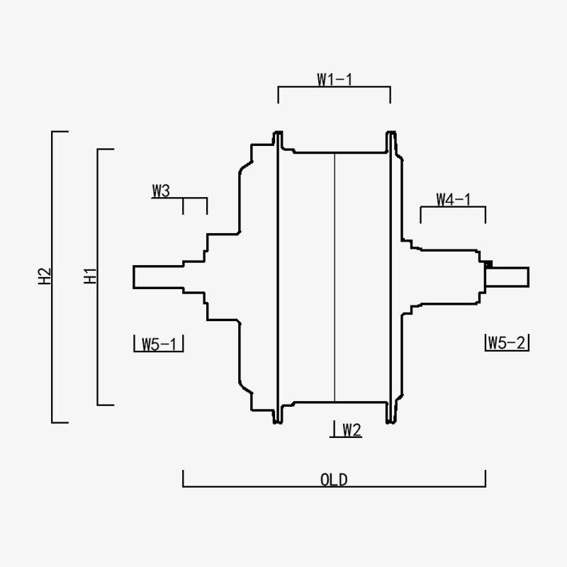
H1/OD: 162
H2/OD silnika: 183
W1(-1/-2): 70.8
W2: 0
W3: 15.2
W4(-1/-2): 40.5
W5(-1/-2): 31/27
STARY: 190
Długość osi: 248
Ningbo Yinzhou HENTACH Electromechanical Co., Ltd.
skontaktuj się z nami
  • Prześlij i wyślij
Ningbo Yinzhou HENTACH Electromechanical Co., Ltd.
CO NAS WYRÓŻNIA
  • Mocny silnik w piaście z napędem tylnym, z otwartymi zębatkami 190 mm i mocą znamionową do 1500 W.

  • Wynalezione, opatentowane plastikowe przekładnie: 5-krotny moment obrotowy przekładni nylonowych; żywotność większa niż 40 000 km; niższa obsługa posprzedażna

  • Moment zatrzymania do 145 NM lub więcej, przeznaczony dla efat/Cargo.

KIM JESTEŚMY Więcej niż 20 lat doświadczenia produkcyjnego.

Ningbo Yinzhou HENTACH Electromechanical Co., Ltd. (dawniej Hengtai Motor) Założona w 1995 roku i wcześniej znana jako „Hengtai Motor” (chińska nazwa naszej firmy), w 2020 roku oficjalnie przyjęliśmy angielską nazwę „HENTACH Motor”. Obie nazwy reprezentują tego samego zaufanego producenta zajmującego się innowacjami elektromechanicznymi od ponad 30 lat. Specjalizujemy się w odlewaniu i precyzyjnej obróbce miniaturowych silników prądu stałego, silników elektrycznych/motocyklowych z piastami oraz stopów aluminiowo-magnezowych do pojazdów elektrycznych. Łączymy rygorystyczny system kontroli jakości ISO 9001, dojrzałe praktyki zarządzania oraz najnowocześniejszy sprzęt produkcyjny/testujący, aby dostarczać niezawodne rozwiązania.

Dzięki kompleksowym możliwościom, obejmującym cały proces – od odlewania surowców po dostawę gotowych produktów – obsługujemy różnorodne rynki, w tym rowery elektryczne, pojazdy transportowe, pojazdy autonomiczne (AGV), wózki golfowe, maszyny rolnicze i gokarty elektryczne. Nasz kampus o powierzchni ponad 9000 m² (5000 m² powierzchni zabudowanej) mieści ponad 60 zaawansowanych urządzeń produkcyjnych, w tym 500-tonowe maszyny do odlewania ciśnieniowego, precyzyjne obrabiarki CNC, systemy znakowania laserowego, linie do mikrołukowego utleniania oraz dwa dedykowane stanowiska testowe dla silników pojazdów elektrycznych. Ta infrastruktura zapewnia efektywną produkcję i ścisłe przestrzeganie międzynarodowych standardów jakości.

W HENTACH (Hengtai) stawiamy na wysoką jakość materiałów i zastrzeżoną technologię — nasza opatentowana przekładnia ze stali nylonowej jest świadectwem naszej doskonałości inżynieryjnej. Aby potwierdzić trwałość, uruchomiliśmy kiedyś program gwarancji przebiegu dla silników o przebiegu przekraczającym 30 000 mil. Wynik? Ponad 50 silników nie tylko osiągnęło ten poziom, ale go przekroczyło, a niektóre osiągnęły imponujący przebieg 50 000 mil. Ta rzeczywista wydajność odzwierciedla nasze niezachwiane skupienie się na niezawodności i motywuje nas do ciągłego wprowadzania innowacji w celu uzyskania inteligentniejszych i mocniejszych rozwiązań silnikowych.​
Zaufaj marce znanej na całym świecie zarówno jako Hengtai Motor, jak i HENTACH Motor, gdzie opatentowana innowacja stalowych przekładni łączy się ze sprawdzoną trwałością.

Certyfikowany przez Certyfikaty