e-tłuszcz/e-ładunek

Silnik w piaście tylnej S-Type Pro RF

Silnik z piastą tylną S-Type Pro RF (wolnobieg) jest przeznaczony do rowerów E-Cargo i E-Fat i oferuje moc znamionową od 750 W do 1500 W. Posiada 7-biegowy wolnobieg, hak o średnicy 175 mm i maksymalny moment obrotowy wynoszący ponad 145 Nm. Silnik ten zapewnia dobrą przyczepność przy niskich prędkościach, zapewniając stabilną zdolność pokonywania stromych zboczy i miękkiego piasku oraz skutecznie eliminując braki mocy w warunkach dużego obciążenia. Wyposażony w opatentowane przez firmę HENTACH przekładnie z tworzywa sztucznego i stali, oferuje 5-krotnie większy moment obrotowy w porównaniu z tradycyjnymi przekładniami nylonowymi, wytrzymując ponad 40 000 km i znacznie zmniejszając koszty konserwacji. W rowerach elektrycznych o mocy powyżej 1000 W tylko przekładnie Hengtai z tworzywa sztucznego i stali wytrzymują ciągłe momenty obrotowe powyżej 100 Nm.

Kluczowy parametr
Struktura silnika: Napięcie znamionowe (V): Moc znamionowa (W):
/ 36-60 600-1500
Szczytowy moment obrotowy (Nm): Waga (kg): STARY (mm):
145 5.8 175
szczegółowe informacje
  • Silnik w piaście tylnej S-Type Pro RF
  • Silnik w piaście tylnej S-Type Pro RF
Ningbo Yinzhou HENTACH Electromechanical Co., Ltd. Product Parameters Ningbo Yinzhou HENTACH Electromechanical Co., Ltd. Drawing Ningbo Yinzhou HENTACH Electromechanical Co., Ltd. Contact Us

Podstawowe dane

Moc znamionowa 600-1500
Napięcie znamionowe 36-60
Średnica koła 20-26
Zakres prędkości 35-65
Maksymalny moment obrotowy 145
Przełożenie 5
Waga (kg) 5.8

Parametry instalacji

Hamulec Hamulec tarczowy
Kaseta czujnika momentu obrotowego Nie
Trasa okablowania Lewa strona osi
Otwór na szprychę 2-18-Ф3.2
Ocena wodoodporności IP54 (do IP65)
Koło zamachowe/koło zębate prędkość wirowania wynosząca siedem prędkości
Certyfikaty TUV/EN15194/RoHS

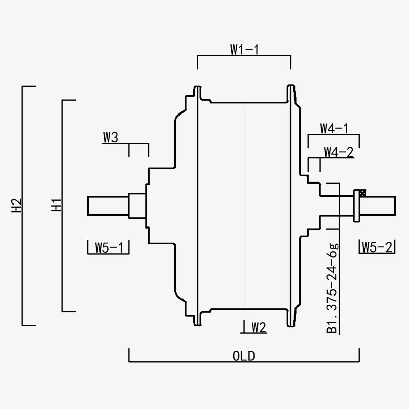
H1/OD: 162
H2/OD silnika: 183
W1(-1/-2): 70.8
W2: 0
W3: 15.2
W4(-1/-2): 39/9
W5(-1/-2): 31/27
STARY: 175
Długość osi: 233
Ningbo Yinzhou HENTACH Electromechanical Co., Ltd.
skontaktuj się z nami
  • Prześlij i wyślij
Ningbo Yinzhou HENTACH Electromechanical Co., Ltd.
CO NAS WYRÓŻNIA
  • Mocny silnik w piaście napędu tylnego z otwartymi zębatkami 175 mm, moc znamionowa do 1500 W.

  • Wynalezione, opatentowane plastikowe przekładnie: 5-krotny moment obrotowy przekładni nylonowych; żywotność większa niż 40 000 km; niższa obsługa posprzedażna

  • Moment zatrzymania do 145 NM lub więcej, zaprojektowany dla efat/Cargo.

KIM JESTEŚMY Więcej niż 20 lat doświadczenia produkcyjnego.

Ningbo Yinzhou HENTACH Electromechanical Co., Ltd. (dawniej Hengtai Motor) Założona w 1995 roku i wcześniej znana jako „Hengtai Motor” (chińska nazwa naszej firmy), w 2020 roku oficjalnie przyjęliśmy angielską nazwę „HENTACH Motor”. Obie nazwy reprezentują tego samego zaufanego producenta zajmującego się innowacjami elektromechanicznymi od ponad 30 lat. Specjalizujemy się w odlewaniu i precyzyjnej obróbce miniaturowych silników prądu stałego, silników elektrycznych/motocyklowych z piastami oraz stopów aluminiowo-magnezowych do pojazdów elektrycznych. Łączymy rygorystyczny system kontroli jakości ISO 9001, dojrzałe praktyki zarządzania oraz najnowocześniejszy sprzęt produkcyjny/testujący, aby dostarczać niezawodne rozwiązania.

Dzięki kompleksowym możliwościom, obejmującym cały proces – od odlewania surowców po dostawę gotowych produktów – obsługujemy różnorodne rynki, w tym rowery elektryczne, pojazdy transportowe, pojazdy autonomiczne (AGV), wózki golfowe, maszyny rolnicze i gokarty elektryczne. Nasz kampus o powierzchni ponad 9000 m² (5000 m² powierzchni zabudowanej) mieści ponad 60 zaawansowanych urządzeń produkcyjnych, w tym 500-tonowe maszyny do odlewania ciśnieniowego, precyzyjne obrabiarki CNC, systemy znakowania laserowego, linie do mikrołukowego utleniania oraz dwa dedykowane stanowiska testowe dla silników pojazdów elektrycznych. Ta infrastruktura zapewnia efektywną produkcję i ścisłe przestrzeganie międzynarodowych standardów jakości.

W HENTACH (Hengtai) stawiamy na wysoką jakość materiałów i zastrzeżoną technologię — nasza opatentowana przekładnia ze stali nylonowej jest świadectwem naszej doskonałości inżynieryjnej. Aby potwierdzić trwałość, uruchomiliśmy kiedyś program gwarancji przebiegu dla silników o przebiegu przekraczającym 30 000 mil. Wynik? Ponad 50 silników nie tylko osiągnęło ten poziom, ale go przekroczyło, a niektóre osiągnęły imponujący przebieg 50 000 mil. Ta rzeczywista wydajność odzwierciedla nasze niezachwiane skupienie się na niezawodności i motywuje nas do ciągłego wprowadzania innowacji w celu uzyskania inteligentniejszych i mocniejszych rozwiązań silnikowych.​
Zaufaj marce znanej na całym świecie zarówno jako Hengtai Motor, jak i HENTACH Motor, gdzie opatentowana innowacja stalowych przekładni łączy się ze sprawdzoną trwałością.

Certyfikowany przez Certyfikaty