E-droga / E-miasto

Silnik piasty tylnej kasety HT MINI

Silnik kasetowy HT MINI 8-10 biegów jest przeznaczony do rowerów elektrycznych miejskich i szosowych, co czyni go jednym z najmniejszych silników z piastą z zewnętrznym wirnikiem na rynku. Charakteryzuje się kompaktową i lekką konstrukcją, ważącą zaledwie 1,95 kg, mocą znamionową 220 W i momentem obrotowym ponad 30 Nm. Dostępna jest kaseta z czujnikiem momentu obrotowego. Silnik może osiągnąć moc do 250 W przy momencie utyku wynoszącym 40 Nm. Konstrukcja zewnętrznego wirnika zmniejsza skumulowane błędy, zwiększając trwałość i stabilność.

Kluczowy parametr
Struktura silnika: Napięcie znamionowe (V): Moc znamionowa (W):
Silnik piasty Outrunner 36-48 180-250
Szczytowy moment obrotowy (Nm): Waga (kg): STARY (mm):
40 2,18 (220 W) 142
szczegółowe informacje
  • Silnik piasty tylnej kasety HT MINI
  • Silnik piasty tylnej kasety HT MINI
Ningbo Yinzhou HENTACH Electromechanical Co., Ltd. Product Parameters Ningbo Yinzhou HENTACH Electromechanical Co., Ltd. Drawing Ningbo Yinzhou HENTACH Electromechanical Co., Ltd. Contact Us

Podstawowe dane

Moc znamionowa 180-250
Napięcie znamionowe 36-48
Średnica koła 20-28
Zakres prędkości 25-38
Maksymalny moment obrotowy 40
Przełożenie 5
Waga (kg) 2,18 (220 W)

Parametry instalacji

Hamulec Hamulec tarczowy
Kaseta czujnika momentu obrotowego Tak
Trasa okablowania Oś środkowa prawa
Otwór na szprychę 2-18-Ф3.2
Ocena wodoodporności IP54 (do IP65)
Koło zamachowe/koło zębate Prędkość KAFI 7-10
Certyfikaty TUV/EN15194/RoHS

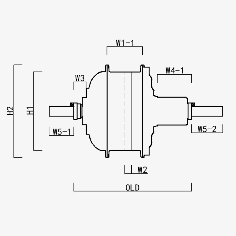
H1/OD: 95.5
H2/OD silnika: 112.5
W1(-1/-2): 43
W2: 8
W3: 15
W4(-1/-2): 42.5
W5(-1/-2): 30/39
STARY: 142
Długość osi: 211
Ningbo Yinzhou HENTACH Electromechanical Co., Ltd.
skontaktuj się z nami
  • Prześlij i wyślij
Ningbo Yinzhou HENTACH Electromechanical Co., Ltd.
CO NAS WYRÓŻNIA
  • Silnik ma średnicę zewnętrzną 95 mm, jest wyposażony w 10-biegowe kasetowe koło zamachowe o wadze zaledwie 2,15 kg, ultralekki silnik z wirnikiem zewnętrznym i moment utyku do 40 NM. Partner w zakresie rowerów elektrycznych.

  • Opatentowana przekładnia ze stali z tworzywa sztucznego: 5 razy większy moment obrotowy w porównaniu z przekładniami nylonowymi; żywotność większa niż 40 000 kilometrów; niższa obsługa posprzedażna

  • Silnik z wirnikiem zewnętrznym: bardziej stabilna konstrukcja niż wirnik wewnętrzny, niższy wskaźnik awaryjności

KIM JESTEŚMY Więcej niż 20 lat doświadczenia produkcyjnego.

Ningbo Yinzhou HENTACH Electromechanical Co., Ltd. (dawniej Hengtai Motor) Założona w 1995 roku i wcześniej znana jako „Hengtai Motor” (chińska nazwa naszej firmy), w 2020 roku oficjalnie przyjęliśmy angielską nazwę „HENTACH Motor”. Obie nazwy reprezentują tego samego zaufanego producenta zajmującego się innowacjami elektromechanicznymi od ponad 30 lat. Specjalizujemy się w odlewaniu i precyzyjnej obróbce miniaturowych silników prądu stałego, silników elektrycznych/motocyklowych z piastami oraz stopów aluminiowo-magnezowych do pojazdów elektrycznych. Łączymy rygorystyczny system kontroli jakości ISO 9001, dojrzałe praktyki zarządzania oraz najnowocześniejszy sprzęt produkcyjny/testujący, aby dostarczać niezawodne rozwiązania.

Dzięki kompleksowym możliwościom, obejmującym cały proces – od odlewania surowców po dostawę gotowych produktów – obsługujemy różnorodne rynki, w tym rowery elektryczne, pojazdy transportowe, pojazdy autonomiczne (AGV), wózki golfowe, maszyny rolnicze i gokarty elektryczne. Nasz kampus o powierzchni ponad 9000 m² (5000 m² powierzchni zabudowanej) mieści ponad 60 zaawansowanych urządzeń produkcyjnych, w tym 500-tonowe maszyny do odlewania ciśnieniowego, precyzyjne obrabiarki CNC, systemy znakowania laserowego, linie do mikrołukowego utleniania oraz dwa dedykowane stanowiska testowe dla silników pojazdów elektrycznych. Ta infrastruktura zapewnia efektywną produkcję i ścisłe przestrzeganie międzynarodowych standardów jakości.

W HENTACH (Hengtai) stawiamy na wysoką jakość materiałów i zastrzeżoną technologię — nasza opatentowana przekładnia ze stali nylonowej jest świadectwem naszej doskonałości inżynieryjnej. Aby potwierdzić trwałość, uruchomiliśmy kiedyś program gwarancji przebiegu dla silników o przebiegu przekraczającym 30 000 mil. Wynik? Ponad 50 silników nie tylko osiągnęło ten poziom, ale go przekroczyło, a niektóre osiągnęły imponujący przebieg 50 000 mil. Ta rzeczywista wydajność odzwierciedla nasze niezachwiane skupienie się na niezawodności i motywuje nas do ciągłego wprowadzania innowacji w celu uzyskania inteligentniejszych i mocniejszych rozwiązań silnikowych.​
Zaufaj marce znanej na całym świecie zarówno jako Hengtai Motor, jak i HENTACH Motor, gdzie opatentowana innowacja stalowych przekładni łączy się ze sprawdzoną trwałością.

Certyfikowany przez Certyfikaty