E-FAT / E-CARGO

Silnik w piaście przedniej S-Type Pro F1500

Silnik w piaście przedniej S-Type Pro F1500, przeznaczony do rowerów E-Carao i E-Fat, oferuje moc znamionową od 750 W do 1500 W i maksymalny moment obrotowy 145 Nm. Poprawia przyczepność przy niskich prędkościach i zdolność pokonywania wzniesień w trudnym terenie, eliminując niedobory mocy w zastosowaniach wymagających dużego obciążenia. Wyposażony w opatentowane przez firmę HENTACH przekładnie z tworzywa sztucznego i stali – pięć razy mocniejsze niż przekładnie nylonowe – obsługuje silniki o mocy powyżej 1000 W, w których tradycyjne przekładnie nylonowe szybko zużywałyby się pod utrzymującym się momentem obrotowym powyżej 100 Nm.

Kluczowy parametr
Struktura silnika: Napięcie znamionowe (V): Moc znamionowa (W):
Przekładniowy silnik piasty Outrunner 48-60 750-1500
Szczytowy moment obrotowy (Nm): Waga (kg): STARY (mm):
145 5.5 190
szczegółowe informacje
  • Silnik w piaście przedniej S-Type Pro F1500
  • Silnik w piaście przedniej S-Type Pro F1500
Ningbo Yinzhou HENTACH Electromechanical Co., Ltd. Product Parameters Ningbo Yinzhou HENTACH Electromechanical Co., Ltd. Drawing Ningbo Yinzhou HENTACH Electromechanical Co., Ltd. Contact Us

Podstawowe dane

Moc znamionowa 750-1500
Napięcie znamionowe 48-72
Średnica koła 20-26
Zakres prędkości 25-65
Maksymalny moment obrotowy 145
Przełożenie 5
Waga (kg) 5.5

Parametry instalacji

Hamulec Hamulec tarczowy
Kaseta czujnika momentu obrotowego Nie
Trasa okablowania Prawa strona osi
Otwór na szprychę 2-18-Ф3,5
Ocena wodoodporności IP54 (do IP65)
Koło zamachowe/koło zębate /
Certyfikaty TUV/EN15194/RoHS

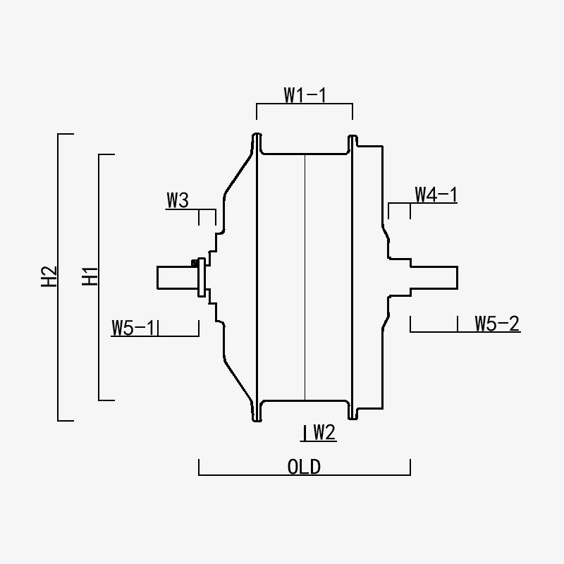
H1/OD: 157
H2/OD silnika: 183
W1(-1/-2): 60.9
W2: 0
W3: 11
W4(-1/-2): 14.1
W5(-1/-2): 26/30
STARY: 135
Długość osi: 191
Ningbo Yinzhou HENTACH Electromechanical Co., Ltd.
skontaktuj się z nami
  • Prześlij i wyślij
Ningbo Yinzhou HENTACH Electromechanical Co., Ltd.
CO NAS WYRÓŻNIA
  • Mocny silnik z napędem przednim, rozstaw przekładni 135 mm, moc znamionowa do 1500 W.

  • Opatentowana przekładnia ze stali z tworzywa sztucznego: 5 razy większy moment obrotowy w porównaniu z przekładnią nylonową; żywotność większa niż 40 000 kilometrów; niższa obsługa posprzedażna

  • Moment zatrzymania do 145NM, specjalnie zaprojektowany dla efat/Cargo.

KIM JESTEŚMY Więcej niż 20 lat doświadczenia produkcyjnego.

Ningbo Yinzhou HENTACH Electromechanical Co., Ltd. (dawniej Hengtai Motor) Założona w 1995 roku i wcześniej znana jako „Hengtai Motor” (chińska nazwa naszej firmy), w 2020 roku oficjalnie przyjęliśmy angielską nazwę „HENTACH Motor”. Obie nazwy reprezentują tego samego zaufanego producenta zajmującego się innowacjami elektromechanicznymi od ponad 30 lat. Specjalizujemy się w odlewaniu i precyzyjnej obróbce miniaturowych silników prądu stałego, silników elektrycznych/motocyklowych z piastami oraz stopów aluminiowo-magnezowych do pojazdów elektrycznych. Łączymy rygorystyczny system kontroli jakości ISO 9001, dojrzałe praktyki zarządzania oraz najnowocześniejszy sprzęt produkcyjny/testujący, aby dostarczać niezawodne rozwiązania.

Dzięki kompleksowym możliwościom, obejmującym cały proces – od odlewania surowców po dostawę gotowych produktów – obsługujemy różnorodne rynki, w tym rowery elektryczne, pojazdy transportowe, pojazdy autonomiczne (AGV), wózki golfowe, maszyny rolnicze i gokarty elektryczne. Nasz kampus o powierzchni ponad 9000 m² (5000 m² powierzchni zabudowanej) mieści ponad 60 zaawansowanych urządzeń produkcyjnych, w tym 500-tonowe maszyny do odlewania ciśnieniowego, precyzyjne obrabiarki CNC, systemy znakowania laserowego, linie do mikrołukowego utleniania oraz dwa dedykowane stanowiska testowe dla silników pojazdów elektrycznych. Ta infrastruktura zapewnia efektywną produkcję i ścisłe przestrzeganie międzynarodowych standardów jakości.

W HENTACH (Hengtai) stawiamy na wysoką jakość materiałów i zastrzeżoną technologię — nasza opatentowana przekładnia ze stali nylonowej jest świadectwem naszej doskonałości inżynieryjnej. Aby potwierdzić trwałość, uruchomiliśmy kiedyś program gwarancji przebiegu dla silników o przebiegu przekraczającym 30 000 mil. Wynik? Ponad 50 silników nie tylko osiągnęło ten poziom, ale go przekroczyło, a niektóre osiągnęły imponujący przebieg 50 000 mil. Ta rzeczywista wydajność odzwierciedla nasze niezachwiane skupienie się na niezawodności i motywuje nas do ciągłego wprowadzania innowacji w celu uzyskania inteligentniejszych i mocniejszych rozwiązań silnikowych.​
Zaufaj marce znanej na całym świecie zarówno jako Hengtai Motor, jak i HENTACH Motor, gdzie opatentowana innowacja stalowych przekładni łączy się ze sprawdzoną trwałością.

Certyfikowany przez Certyfikaty